Подсчет мелких деталей, сортировка по размеру или материалу, контроль обрыва тросов и проволоки
Войти

Подсчет мелких деталей, сортировка по размеру или материалу, контроль обрыва тросов и проволоки

Подсчет мелких деталей, сортировка по размеру или материалу, контроль обрыва тросов и проволоки

В современных условиях глобальной автоматизации стало возможным избавление рабочих от выполнения операций связанных с повторением однотипных действий, требующих от персонала долговременной длительной концентрации внимания. Выполнение подобных операций подвергает работника тяжелым психологическим нагрузкам, что в дальнейшем приводит к появлению ошибок в работе и увеличению брака, а так же провоцирует возникновение конфликтов в рабочем коллективе.

Для разрешения подобного рода проблем специалистами АО НПК «ТЕКО» была разработана и внедрена в производство группа кольцевых индуктивных датчиков, состоящая из двух исполнений и восьми типоразмеров. Кольцевые индуктивные датчики ТЕКО по своим характеристикам не уступают зарубежным аналогам.

Предлагаем вам решение некоторых задач в области автоматизации, с применением кольцевых датчиков ТЕКО:

сортировка мелких деталей по размеру или материалу>

- сортировка мелких деталей по размеру или материалу
Датчик можно настроить на срабатывание при прохождении через него изделий определенного размера, материала. Например можно определять наличие металлических частиц, загрязняющих основной продукт и даже вести их подсчет.

контроль за целостностью проволоки, троса, трубки

-  контроль за целостностью проволоки, троса, трубки 
При производстве проволоки, тросов или трубок периодически происходит обрыв заготовки, который может привести к срыву всего технологического процесса. Установка датчика позволяет контролировать целостность заготовки. Так же датчик может контролировать наличие заготовки или конечного продукта на линии.

подсчет мелких деталей

подсчет мелких деталей 
Изделия проходя через отверстие изменяют электромагнитное поле, изменение преобразуется в импульс, который фиксируется счетчиком (СИ1). Таким образом происходит подсчет изделий. Незаменимая вещь для производителей метизной продукции, шарикоподшипников и др.

контроль за целостностью и положением обрабатывающего инструмента

- контроль за целостностью и положением обрабатывающего инструмента 
кольцевые датчики успешно применяются на станках ЧПУ и автоматических обрабатывающих линиях, для контроля за целостностью или определением положения такого обрабатывающего инструмента как сверла или развертки.

Специалисты АО НПК «ТЕКО» могут изготовить бесконтактный выключатель с дополнительным набором функций:

  • особовзрывобезопасное исполнение
  • герметичное исполнение
  • спец. исполнение для пищевой промышленности
  • с защитой от короткого замыкания
  • низкотемпературного и высокотемпературное исполнение
  • вибростойкие
  • помехозащищенные

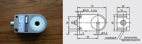
Габаритные размеры и внешний вид одного из датчиков:

Размер корпуса, мм........................... 40x30x70 
Способ установки в металл................ Встраиваемый
Диаметр отверстия............................. 5 мм
Диаметр шара(Сталь)......................... 1...5 мм

группа кольцевых индуктивных датчиков

Варианты кольцевых датчиков нашего производства:

ISB R1A5-31P-R5-LZ

ISB R1A5-31P-R10-LZ

ISB R1A5-31P-R30-LZ

Другие варианты Вы можете посмотреть в каталоге в разделе индуктивные бесконтактные выключатели.

Уверены, данная информация поможет вам облегчить условия труда и снизить производственные издержки.

Наши специалисты готовы ответить на любые ваши вопросы.

Решение задач подсчета мелких деталей, сортировки по размеру или материалу, контроля обрыва тросов и проволоки. Отдел продаж НПК ТЕКО. Телефон: (351) 796-01-18, полная контактная информация.


Войдите в профиль
Войдите или зарегестрируйтесь
Каталог
Отраслевые решения
Мы используем cookie. Это позволяет улучшить работу сайта, повысить его эффективность и удобство. Продолжая пользоваться сайтом, вы соглашаетесь с использованием файлов cookie и c нашей политикой конфиденциальности.
Согласен