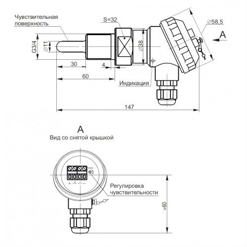
CSN ET461PF8-43P-30-LZ - датчик, устойчивый к агрессивным средам
Компанией ТЕКО разработан первый отечественный универсальный датчик уровня агрессивных жидкостей, контактная и монтажная поверхность которого полностью изготовлена из химически инертных материалов.
Находящаяся в контакте с процессом чувствительная часть датчика изготовлена из фторопласта-4, нержавеющие стали не используются. Это свойство датчика позволяет использовать его во всех случаях где имеются либо сомнения по совместимости химреагентов с нержавеющей сталью, либо вопрос безопасности по утечкам является критическим (токсичные соединения хлора, фтора, растворов солей тяжелых металлов, некоторые органические кислоты).
Применение устойчивого к агрессивной среде датчика CSN ET461PF8-43P-30-LZ
Модель CSN ET461PF8-43P-30-LZ выпущена для контроля уровня агрессивных сред, которые разъедают нержавеющую сталь:
Ёмкости для "хлорки"
Ёмкости хранения гипохлорита натрия или кальция ("хлорка"), в том числе хлорированная вода
На химических заводах, на пищевых комбинатах, в сельском хозяйстве и ЖКХ
Ёмкости для кислот
Неорганические кислоты при температурах до +75 градусов, в любой концентрации (серная, азотная, плавиковая); органические кислоты
Химическая, нефтегазовая промышленность, отгрузка и транспортировка продуктов переработки, фармакологическое производство
Ёмкости для моющих средств
Ёмкости с концентрированными моющими средствами
В молочной и пищевой промышленности (CIP мойки), производство напитков, моечные комплексы
Кроме того, датчик CSN ET461PF8-43P-30-LZ, устойчивый к агрессивным жидкостям, может применяться для контроля уровня химически нейтральных жидкостей в ёмкостях, которые периодически проходят обработку активными моющими средствами, такими как гипохлорита натрия или растворами щелочей и кислот. Например, бассейны, линии кормления, фаршемешалки, бункера, танки хранения молока, ёмкости для напитков, в том числе спирт-содержащих.
Особенности датчика CSN ET461PF8-43P-30-LZ
Чувствительная часть датчика изготовлена из материала фторопласт-4, нержавеющие стали не используются. Фоторопласт-4 является самым стойким из конструкционных материалов и не взаимодействует с кислотами, щелочами, окислителями и растворителями.
Исключения:
- комплексные соединения щелочных металлов с аммиаком, нафталином, пиримидином;
- фторид хлора ||| и газообразный фтор при высокой температуре;
- нарушается структура (набухание) во фторхлорсодержащих газах (например, фреоны R134a, R22, R404a, но не R600a).
Как купить химически стойкий датчик CSN ET461PF8-43P-30-LZ
Чтобы заказать датчик или получить более подробную консультацию по датчику Вы можете:
- заказать бесплатный обратный звонок (мигающая оранжевая кнопка);
- обратиться к онлайн-консультанту;
- позвонить по бесплатному федеральному номеру 8-800-333-70-75;
- оформить заказ, нажав кнопку "ЗАКАЗАТЬ" вверху страницы;
- оформить заказ из карточки товара:





